現地搬入.png)
ご存知ですか?プレス機を設置・移設・改造するときは「設置届」が必要です
こんにちは。
今回はプレスの「設置届」がテーマです。
聞いたことはあるけど・・という方を対象に、手続きの流れをご紹介していきます!
設置届とは?
動力プレスは、労働安全衛生規則 第86条第1項(計画の届出)で定められた「機械等」
に該当します。このため、新たにプレス設備を購入・設置するとき、また既存の
プレス機を移設するとき、さらに主要な構造部分を変更するときには、工事開始
30日前までに、所轄の労働基準監督署に「設置届」を提出することが法令で義務
付けられています。
どんな届出書類が必要なの?
届出書類とともに、安全性が確認できるような資料をそろえる必要があります。
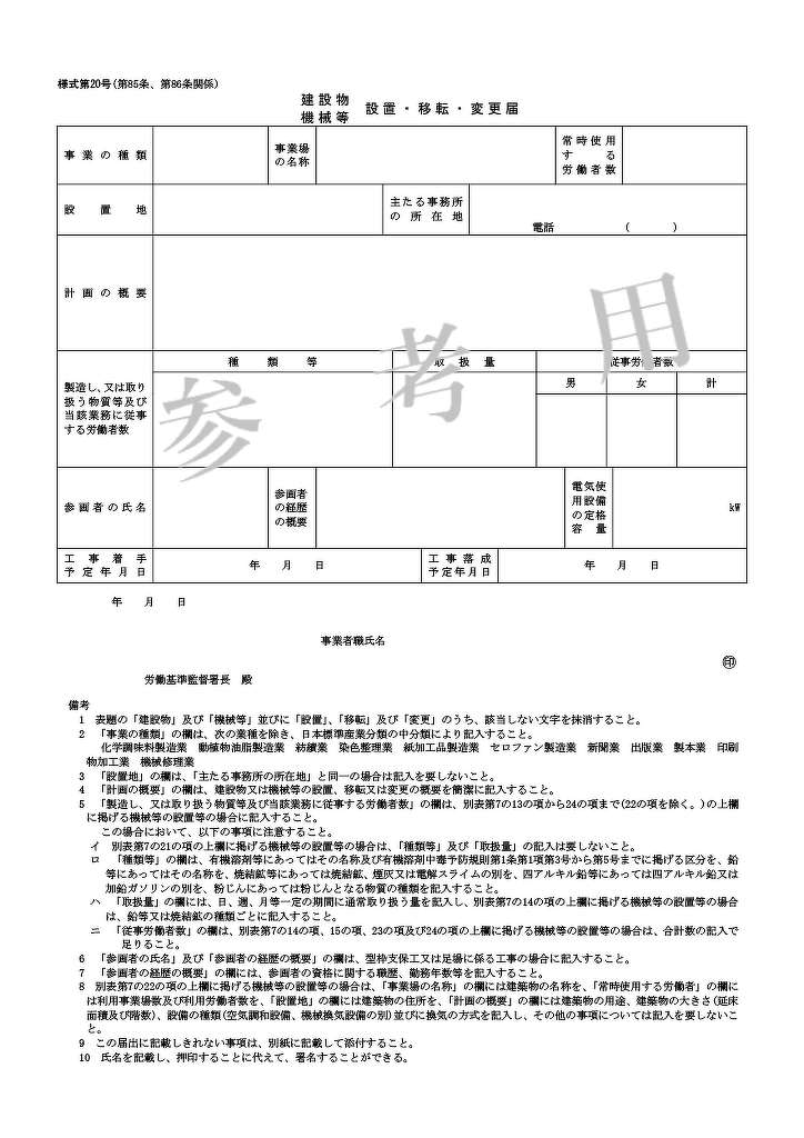
① 「建設物・機械等設置・移転・変更届」
この書式は労働安全衛生規則で定められた全国統一書式(様式第20号)です。
厚生労働省ホームページからダウンロードできます。
kikai_setti1024_1.png)
② 対象とするプレス機の概要を説明する書類等
説明・提出が必要な項目は、 労働安全衛生規則 第86条関係「別表第七」で定められています。
設置届別表第7.png)
(一部抜粋)
別表の「事項」で記載のある圧力能力、ストローク長さ、停止性能等を説明する書類は、法令で定められた書式は
ありませんが、監督署によっては指定書式(「動力プレス摘要書」、「動力プレス機械明細書」など)を用意して
いる場合もあります。各監督署によって手続き方法等が異なりますので、管轄(設置場所住所)の労働基準監督署
にご確認をお願いします。
動力プレス摘要書.png)
「動力プレス 摘要書」書式例(一部抜粋)
機械明細書_230118_121148.png)
「動力プレス 機械明細書」書式例(一部抜粋)
③ プレス機のカタログ(または構造図)
④ プレスの「型式検定合格標章」の写し(該当する場合)
⑤ 安全装置の「型式検定合格標章」の写し(該当する場合)
※④を提出する場合は不要です。ただし、型式検定プレスに追加で安全装置を付属している場合は、提出が必要となる
場合があります。合格標章の他に、安全装置のカタログ(または構造図)も必要です。
⑥ 上記④⑤のいずれにも該当しない場合は、安全措置の概要を示すカタログ(または図面)
※ ご参考までに提出書類一覧をまとめました。(2022年12月現在)

どのような手順で準備すればいい?
①指定の届出書類の確認
まず「建設物機械等設置・移転・変更届」の他に、指定の届出書類があるかどうか、
またどこから入手できるか、管轄(設置場所住所)の労働基準監督署に確認をしましょう。
全国の労働基準監督署問い合わせ先一覧(厚生労働省ホームページ)はこちら
② 書式にそって、記入内容を埋めていきましょう
機種は同じでも、お客様に納入される機械によって、記載する数値が異なる場合が
あります。カタログの他、仕様確認書の記載内容を確認の上、ご記入ください。
③ 不明点は、メーカーに問いあわせをしましょう。
(よくあるご質問)
・プレスの型式検定合格標章の写しを送ってほしい
・安全装置の型式を教えてほしい
・ 電気使用設備の定格容量を教えてほしい
・停止機能(急停止時間)を教えてほしい
・クラッチ、ブレーキの形式 はどう記入する?
・ オーバーラン監視装置の設定位置を教えてほしい
④ プレス機のカタログをダウンロードしましょう
アイダ製プレスのダウンロードはこちら
※初めてアクセスする場合は会員登録が必要です
⑤ 安全装置の型式検定合格標章およびカタログをダウンロードしましょう
⑥ 労働基準監督署に提出しましょう
設置届に捺印し、必要書類を添付して、工事開始30日前までに所轄の
労働基準監督署に提出しましょう。郵送でも大丈夫です。返信用封筒も
同封すると受理印を押された控えが戻されるようです。
※監督署によってはさらに詳細な追加資料の提出や、工場訪問等を要望される
場合もあるようです。
おわりに
上記の内容は、標準的なモデルケースであり、各監督署によって手続き方法等が異なる
場合があります。また書式等も変更する場合がありますので、正確には管轄(設置場所住所)
の労働基準監督署にご確認をお願いします。